联系我们
江苏天信仪表有限公司
电话:0517-86908060
手机:15052696222
15052690234
联系人:韩经理
邮箱:15052696222@126.com
地址:江苏金湖科技创业园
电磁流量计485通讯协议
人气: 1067发表时间:2021-05-10 00:00:13
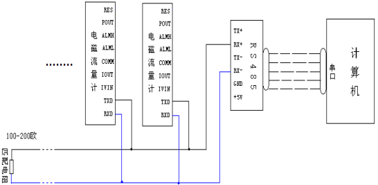
将电磁流量计的TXD和RXD与RS485的RX+和RX-(TX+和TX-也可)相连,如果接的线比较长请您在远端加一个100-200欧的匹配电阻,再把RS485插到微机的串口。

二、电磁流量计485通讯测试方法
1、连接线后给电磁流量计通电,进入参数设置画面,设置流量计的通讯地址(比如1)和通讯速度(比如9600)。
2、在光盘里你可以看到有两个名为《WIN98》和《WINXP》的文件夹,根据您的电脑所使用的系统选择其中一个(WIN2000也用WINXP),在文件夹内有一个名为《SETUP》的文件,双击后便进入安装状态,之后按照提示操作。
3、安装完成后,在开始菜单的的程序里您可以看到新增加了一个名为L-mag (51)程序,点击便打开了通讯测试程序。

4、在软件上设置通讯口(有的计算机有两个串口,只有一个串口时设置为com1)、通讯地址和通讯速率使他与您在电磁流量计设置的相同,点击开始。
5、这样在您的微机上就会显示出瞬时流量、流速等相应的数据,点击上面通讯方式菜单的多机通讯进入多机显示画面

6、软件自动搜索通讯地址,点击上面的菜单显示多台电磁流量计对应的数据,对比微机上的数据应该与电磁流量计所显示的数据相同。

上一篇:超声波物位计安装和调试下一篇:超声波液位差计安装要求
此文关键字:



